seefeld in tyrolvoyagen autriche en 2007
Programme TV
24h 2005les 24h du mans , les
pesages depuis 2004


questions techniques sur forum

Campingcar Loisirs et Bricolage





Les batteries et le campingcar


pour suivre l'évolution des batteries voir le forum bricoloisirs



emoticon

batterie Steco semi stationnaire

Il existe 2 types de batteries

1 ° les batteries de démarrage à décharge rapide

Constituée d'une multitue de plaques fines et pouvant débiter plusieurs centaines d'ampères en un temps très rapide

2 ° les batteries à décharge lente

A) les batteries stationnaires avec des plaquesépaisses genre solarwatt et ne pouvant débiter q'un courant théorique par ex pour une batterie de 100A sur 100 h 1AH ou 5A sur 20H .....

B) les batteries semi- stationnaires avec des plaques moinsépaisses genre hoppecke et qui peuvent débiter des courants plus importants ( voir ci-dessus ) par ex k5 80ah = 80:5 =16A pendant 5H .


emoticon
Batterie FIAMM semi stationnaire
emoticon
Batterie SOLARWATT stationnaire
batterie hoppecke
Batterie HOPPECKE semi stationnaire

K5, K20, K100 par ex , représente le nombre d'heures de décharge de la batterie pour un courant donné , par ex :

tableau de cycle charge décharge

Batteries Plomb Acide

Charge densitéélectrolyte Tension Température
0% 1.00 11,2v 0 °
0% 1.05 11.8 v de -3.3 ° à -7.7 °
25% 1.12 11.9 v -10.8 °
50% 1.16 12.1 v -17.9 °
75% 1.21 12.3 v -31.7 °
100% 1.26 12.6 v -56.5 °

Test de décharge

 

mesure de tension
tension au départ du test batterie chargée
mesure de courant
débit de 5A constant

la batterie est de 02/2005 , bien entretenue solarwatt alden de 100A , la décharge complète à 11,2V s'estéffectué en 13H soit 13x5A= 65A

emoticon

les batteries gel ( Mastervolt )

Principe de fonctionnement

Une batterie gel est une batterie ‘normale' au plomb et acide sulfurique, tel qu'on le trouve dans les modèles dits semi-traction (12V) . La seule différence entre une batterie gel et une batterie ‘liquide' classique (qu'elle soitétanche ou nonétanche), est la substance gélifiée contenant l'électrolyte. Les gaz dégagés lors du processus de chargement sont absorbés par l'électrolyte gélifiée de la batterie. Ce procédé dit de recombinaison emp êche tout gaz de s'échapper, c'est la raison pour laquelle la batterie gel convient parfaitement comme batterie de service.

Les batteries de service

Ces batteries sont conçues pour un usage fréquent, en particulier pour une consommation régulière de courant avec temps de décharge de 5 à 24 heures. Ce type de batterie est disponible en version nonétanche et en version gelétanche, avec une espérance de vie de 5 à 6 ans. Exprimée en cycles, sa durée de vie est d'environ 400 cycles de charge/décharge (statut en décharge de 50%).

la gamme MasterVolt de 80 AH à 200 AH

accu mastervolt
accu Mastervolt 80 AH 330x171x235.5 mm. 32,6 kg
accu mastervolt 100 ah
Accu Mastervolt 120 AH 513x189x223 mm. 41,7 kg

batterie exide gel
Accu Exide 85 AH 330x171x236 30 kg
batterie banner gel
Accu Banner 70 AH 278x175x190 19 kg

batterie optima yellow

Batterie à gel Optima yellow 12V - 690A - 55Ah

Une alimentation et une tension suffisante sont des conditions impératives pour le fonctionnement optimal.

Les batteries Optima ne requièrent aucun entretien; lors de tests comparatifs, elles obtiennent les meilleurs résultats quelles que soient les conditions ambiantes, tant par grand froid que par une température très élevée.

Les batteries Optima sont disponibles en trois versions ultra-performantes, d'une capacité initiale de 750 ou 850 ampères! La conception unique des batteries Optima permet les modes d'installation les plus divers, et elles peuvent même être orientées vers le bas. Elles ne présentent aucun risque de fuite, car elles sont remplies d'un électrolyte qui est absorbé dans une fibre de verre à micro-pores faisant en m ême temps office d'isolateur, le tout étant placé dans un boîtier. Ce système remplace avantageusement les cellules remplies d'acide.
Une batterie Optima utilisée correctement peut durer jusqu'à trois fois plus longtemps qu'une batterie classique. Dim.: 245 x 172 x 199mm


coupe de la batterie optima
batterie vectron energy

Batteries Vectronénergy

1. La technologie VRLA
VRLA est l'abréviation de Valve Regulated Lead Acid, ce qui signifie que la batterie estétanche. Du gaz s'échappera par des
soupapes de sécurité uniquement en cas de surcharge ou de défaillance d'éléments.
Les batteries VRLA ont une résistance aux fuites exceptionnelle et peuvent être utilisées dans toutes les positions.
Les batteries VRLA sont sans entretien à vie.

2. Faible autodécharge
Grâce à l'utilisation de grilles au plomb-calcium et de matériaux de grande pureté, les batteries VRLA Victron peuvent être stockées
longtemps sans nécessiter de recharge. Le taux d'autodécharge est inférieur à 2% par mois à 20ºC. L'autodécharge double pour
chaque 10ºC d'augmentation de température.
îche, les batteries VRLA de Victron peuvent donc être stockées jusqu' à un an sans recharge.


5. Récupération exceptionnelle de décharge profonde
Les batteries Victron VRLA ont une capacité de récupération exceptionnelle m ême après une décharge profonde ou prolongée.
Il faut toutefois souligner que les décharges profondes ou prolongées fréquentes ont une influence néfaste sur la duréee vie de toute batterie au plomb/acide, et que les batteries Victron n'y font pas exception. doc pdf

batteries inovtech

batterie inovtech 80AH

Batteries développées en exclusivité pour la marque INOVTECH.
Nouvelle technologie :étanche, sans entretien et à electrolyte liquide captif. Autonomie et longévité supérieures de 30% à une batterie stationnaire classique. Vous gagnez en puissance ainsi qu'en longévité.
La technologie AGM autorise des taux de décharge pouvant dépasser 80% de la capacité de la batterie. On utilise ainsi au maximum la réserve d'énergie disponible. Une AGM 60 Amp. est capable de délivrer autant d'énergie qu'une batterie 100 Amp. semi stationnaire classique.
Un complément idéal pour les chargeurs à découpage de type IUoU.
Caractéristiques :

voir sur le site narbonnes accessoires , cette batterieéquipe mon campingcar , et j'en suis personnellement très satisfait .

les batteries seatronic marine

batterie seatronic

Caractéristiques générales

doc et comparatif en pdf

Les batteries Téléco lithium site teleco

batteries lithium téléco

 

Série TLI Extra Pro Les batteries TLI Extra Pro (professionnelles) se distinguent des autres batteries au lithium sur le marché par leur densité d'énergie élevée : elles stockent beaucoup plus d'énergie à poids et taille identiques. Les batteries TLI Extra contiennent un système de gestion de la batterie (BMS) sophistiqué qui gère la tension de chacune des cellules, à la fois pendant la recharge et pendant la décharge, augmentant ainsi leur durée de vie. Le BMS garantit également une protection contre les pannes dues aux températures élevées, aux surcharges et aux décharges trop profondes.

Les caractéristiques du BMS sont les suivantes :

modèles batteries lithiium téléco

shéma btranchement2

Branchement des batteries

Vous trouverez , ci-contre et ci_dessous divers branchements de batteries en parallèle ou en série , avec ou sans séparateur



autre shéma branchement 2 batteries

On peut aussi brancher des batteries en // sans séparateur :

shéma de branchements batteries en parallèle
le montage qui me parait le plus interessant est le 3 ° sur la droite ( moins de manipulations que le 1 ° )

coupleur manuel

si , vous possédez 2 batteries de capacités et de marque différentes , comme l'exemple à droite , vous pouvez utiliser un coupleur manuel que l'on trouve principalement chez les accessoiristes marine , par ex genre compass , voir installation sur mon campingcar

ce coupleur possède 4 positions :

le panneau solaire peut être relié sur l'une ou l'autre batterie , ou sur les deux si vous avez 2 panneaux ( panneau1 batterie1 panneau 2 batterie 2) .

attention le panneau solaire ne doit pas être désacouplé (sur la pos 0 ) au soleil , il lui faut une charge , donc toujours sur 1 ou 2 , la nuit ou au repos dans un garage vous pouvez le mettre sur 0

il y a plein de variantes possibles et d'alimentations diverses , la batterie 1 peut servir pour alimenter l'eau la lumière..... la 2 pour la télé l'ordi .....

batteries en parallèle avec coupleurs scheiber
séparateurs sheiber 2

séparateurs sheiber 1
séparateurs sheiber 4

emoticon

shémas scheiber plus de renseignements coupleurs sheiber

Ci-contre rappel de la section des fils

Pour des renseignements sur les batteries voir sur le site entretien batterie

pour les chargeurs de batterie voir la page CTEK

la section minimales des cables à mettre en oeuvre est fonction de la longueur du circuit aller et retour , ex si vous avez 3m entre la batterie et l'utilisation prévoir 6m ( aller et retour ) sur le tableau et prenez la section supérieure .

6m 20A prévoir du 4 mm2 ( distance réelle entre vos appareils 3m )


section et intensitéréférence

branchement séparateur scheiber1
branchement séparateur scheiber2
Extrait de la doc scheiber

emoticon

ordijauge bm1

BM-1 moniteur de batterie flèche 08/2010

NOUVEAU - moniteur de batterie compact, 124 x 62mm seulement x 23mm! Basé sur le succès BM-1 moniteur de batterie marine, le Pacte BM-1 est spécialement conçu pour les applications où l'espace est une prime. Caravanes, mobile homes, véhicules récréatifs, les petits bateaux et des installations d'énergie renouvelable peuvent tous bénéficier de la BM-1 Compact. Il est capable de surveiller les performances de tout système de 12 volts d'acide de batteries au plomb d'une capacité allant jusqu'à 600 Ampères heure. Le Pacte BM-1 est livré avec un shunt Precision 100 Amp et des câbles préfabriqués pour permettre une installation simple bricolage.

site 99 € téléchargement notice Doc en pps Clipper BM1 par jp33


emoticon

Commutation Batteries Auxiliaires par pierre 04/2010 dossier technique très performant


Un camping car est à la baseéquipé d'une batterie moteur et d'une batterie cellule. Mais si l'on veut doubler la èmes apparaissent. La réalisation qui suit se propose de les résoudre..
Elle est prévue pour un Pilote type P670 lequel estéquipé d'une centrale "EBL 269" qui assure toutes les servitudes de commutation de charge et répartition des circuitsélectriques. Il possèdeégalement un panneau solaire de 75 watts.


Contraintes :

Bilan des courants :

Véhicule à l'arrêt, JOUR + NUIT :

tableau de consommation 1

Véhicule roulant de jour :

commutation 2

Ces bilans montrent que le courant consommé peut atteindre de l'ordre de 14A (pour toute sécurité on comptera 16 A), que celui de charge, issu de l'alternateur du véhicule, a une valeurélevée mais est inférieur à 50A (je l'estime à 30 à 40A suivant l'état de charge de la batterie), que le courant de charge secteur est de 18A maximum et celui du panneau solaire est de l'ordre de 6A pour un panneau de 75 Watts.
A part celui du panneau solaire, les courants de charge alternateur et secteur sont véhiculés via le bloc EBL269

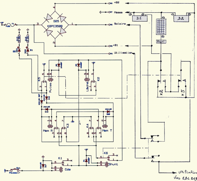
shéma synoptique de l'installation
Question : Comment commuter 50 A (courant le plus fort) vers des batteries sans consommation du système ?

Réponse : Par un relais bistable commandé en 12 Volts. Oui, MAIS un tel relais n'existe pas !

Alors fabriquons-le :

La description suivante n'est faite que pour donner une idée à ceux qui seraient intéressés car leséléments dimensionnels peuvent varier en fonction du matériel dont on dispose. Pour ma part il s'agit en partie de matériel récupéré au cours du temps et... conservé pendant des années.

matériel utilisé
La base du système repose sur l'utilisation de 2 relais 12 volts identiques, chacun d'euxéquipés de 4 contacts inverseurs pouvant supporter chacun 10 A. Ils sont repérés ci-dessus sous l'appellation "Relais de puissance".
(Voir en fin de document une modification effectuée sur les contacts pour diminuer leur résistance).
Le modèle que je possède est de la marque "TEC" référence "PM3". Ils ont l'avantage d' être entièrement démontables. J'ai trouvé ce qui semble être l'équivalent à ce jour sur ce site :
Nous verrons plus loin à quoi servent leséléments complémentaires disposés autour des relais de puissance.

En couplant mécaniquement les deux relais nous disposons de 8 contacts de 10A chacun. Cinq contacts utilisés en parallèle permettront de commuter 50A. C'est ce que nous cherchons ! Les puristes diront bien sûr que, les contacts ne commutant pas tout à fait en m ême temps, il pourra y avoir des surcharges sur certains d'entre eux.
C'est vrai. Mais compte tenu des différentiels de temps de commutation et du nombre de contacts en parallèle les surcharges seront minimes et de très courte durée, donc tout à fait acceptables.

Par contre, il faudra veiller à effectuer un câblage homogène sur chacun des contacts afin de ne pas introduire des différences résistives de circuit qui seraient préjudiciables à un fonctionnementéquilibré. Nous verrons plus loin comment réaliser ce câblage.

réalisation
Des photos parleront mieux que de longs discours...

Les deux relais devront être tenus fermement ensembles pour assurer leur alignement. J'ai utilisé pour cela des bandes de laiton de 2 mm d'épaisseur. Une bande tient les relais par leur fixation de base (voir le cliché "Deux relais accolés) et une plaque d'assemblage (voir cliché "Plaque arrière...") les tient par l'arrière en se fixant par les vis de tenu des bobines.

Les deux palettes sont couplées par une pièce en "T"également en laiton de 2 mm. Le système de verrouillage est basé sur l'utilisation d'une "guillotine" qui vient bloquer une tige solidaire de la pièce en "T". Cette tige passe entre les deux relais et possède deux diamètres différents à son extrémité arrière. Le cliché "Ensemble monté" permet de comprendre le fonctionnement du système.

Quand les relais sont relâchés la guillotine porte sur le diamètre fort de la tige. Quand les relais sont excités la tige se déplace laissant la guillotine se positionner sur son diamètre faible par l'action du ressort de rappel ce qui bloque les contacts en position travail. On peut alors couper l'excitation, les contacts restent en position jusqu' à ce que l'on retire la guillotine pour les libérer. Le changement de diamètre est réalisé par une bague dont on ajuste la position sur la tige à 0,1 mm du point de blocage afin que la pression des contacts soit maintenue lorsque l'excitation des bobines est coupée.

Le retrait de la guillotine est assuré par unélectroaimant noté "Relais de déverrouillage" dans la rubrique "Matériel". Cette bobine est récupérée sur un contacteur "Jour / Nuit" aux contacts défaillants (Ref : "E221 devenu ET221 chez Hager) et rebobinée avec du fil de 0,3 mm pour fonctionner sous 12 volts. On doit trouver le m ême type de bobine
directement utilisable en 12 volts si l'on a la chance de pouvoir récupérer un relais de type "E124 devenu aujourd'hui ER124 toujours chez Hager.

La partie mobile du circuit magnétique est montée sur la tige située à l'extrémité droite de la guillotine. Ce déport est dû au fait que la bobine de "Lâché" est montée sur un circuit imprimé tenu sur les 3 colonnettes que l'on aperçoit sur la vue "Ensemble monté". Ce circuit comporte la logique de commande de l'ensemble. Les"Allonges" magnétiques se montent en prolongement de la partie fixe magnétique, vers la partie mobile(voir photos en fin d'exposé). Elles permettent de réduire la résistance magnétique du circuit et de faciliter l'attraction de la partie mobile qui a une course de l'ordre de 3mm. Or la force d'attraction diminue avec le carré de la distance... Il est important de tout faire pour minimiser cette course.

plan de cablage
circuit imprimé 1

Circuits de commande :

Nous avons vu que nous utilisons 5 contacts pour la commutation des batteries.
Nous utiliseronségalement 2 contacts pour la commutation du panneau solaire. Nous aurons pour ce dernier un pouvoir de coupure de 20 A largement suffisant puisque cela correspondrait à un panneau de 240 Watts.
Afin d'utiliser au mieux le panneau solaire il est logique de créer un alternat entre les deux batteries en mettant l'une en utilisation pendant que l'autre est chargée par le solaire.

Le dernier contact servira d'information pour connaître dans quelle position se trouvent les relais de puissance.
Il est utilisé en association avec les relais de mémorisation de position. Ce sont des relais miniatures à 2RT de type "OUB" marque "Original". Je ne sais s'ils existent encore mais on trouve des modèles similaires un peu plus grands que ceux que je cite, par exemple ici :

Ci-contre le circuit imprimé avec les relais auxiliaires. -------->

A quoi servent le "Relais shunt" et le "Pont redresseur" ?

Le relais shunt est de type "TEC N ° 24" à 3RT et similaire à ceux-ci : avec un pouvoir de coupure de 8 A et une surcharge possible de 250 A pendant 30 ms.
Lorsque les relais de puissance commutent, il existe un bref instant où les contacts mobiles sont "en l'air" c'est à dire en contact ni avec la position repos ni avec la position travail. Cela engendre une mini coupure. Elle peut être préjudiciable à certainséquipements et je pense en particulier à la vanne de sécurité du chauffage qui peut s'ouvrir et, si la pompe est sous tension, vider la réserve d'eau...

Il faut donc un système quiévite cette coupure intempestive. C'est ce que fait le relais shunt qui connecte, par l'un de ses contacts, le point 3 du pont redresseur sur la connexion "Utilisation" qui va vers le bloc EBL 269. Ainsi et sans les mélanger, les batteries B1 et B2 assurent l'alimentation du circuit d'utilisation au travers de diodes.oscillogrammes
C'est bien sûr la plus chargée qui fournira l'énergie.


Les oscillogrammes joints (relevés pour un seul contact inverseur) montrent l'action du système. A gauche sans pont et à droite avec pont. Le léger décrochement de tension est dû au seuil de diode introduit par le pont tandis que, sans pont, on voit bien la coupure qui a lieu durant 15 ms ainsi que les rebonds de fermeture de contact.
Il faut aussiéviter que le panneau solaire ne se trouve sans charge. En reliant le point 1 du pont sur sa
connexion positive (3ème contact du relais) on assure un débit sur les deux batteries, viaégalement 2 diodes qui emp êchent tout courant de boucle. On peut alors remarquer que l'ensemble des quatre diodes concernées
constitue un pont par rapport aux batteries B1 et B2.

Quant au premier contact près de la bobine c'est celui qui valide l'attraction des relais de puissance et de
déverrouillage si ce dernier doit être sollicité.

Le point 3 du redresseur permet aussi de récupérer l'alimentation nécessaire au système de commutation soit à
partir de B1 ou de B2, suivant celle qui est la plus chargée.

Les courants d'utilisation et du panneau solaire peuvent avoir des valeurs relativementélevées ce qui justifie d'utiliser un pont de puissance. Il s'agit ici d'un 25 A référence KBPC3508.

Remarques :

Fonction des relais de Commande, de Mémoire, et du microcontact :

Tout d'abord je précise que l'ensemble du système fonctionne sur impulsion, comme un télérupteur.
Les relais mémoires permettent de savoir, suivant la position dans laquelle se trouvent les relais de puissance, si l'on doit actionner le relais de déverrouillage (cas d'un retour en position repos) ou non (cas d'un enclenchement en position travail).

L'ensemble du système est contrôlé par le relais de "Commande" qui reçoit les impulsions du m ême nom. Il s'agit d'un relais référence "V23072" non capoté. On peut le trouver ici :
circuit de commande
L'exciter alimente le relais "Shunt" pour les actions décrites plus haut, ainsi que les relais mémoires qui vont se positionner en fonction de l'état des relais de puissance et ce, juste avant que ces derniers soient sollicités. Les deux relais mémoires s'auto maintiennent (contact 6-7-8) et s'inter verrouillent (contact 3-4-5)électriquement.

Ceci permet de conserver l'information initiale mémorisée de position après que les relais de puissances auront changé de position.

On remarquera que, si le relais "Mem R" s'enclenche, il interdit le collage du relais de "Lâché" en ouvrant le contact entre 7-8. Ainsi les relais de puissance s'enclencheront et seront verrouillés par la guillotine. Au contraire, si "Mem T" vient au travail, les relais de puissance seront excités, mais aussi celui de "Lâché". Et c'est ici qu'intervient le micro contact de ce dernier qui coupera l'alimentation des relais de puissance qui retomberont. On trouve ici ce genre de micro contact :

Dans chaque cas la fin des opérations est contrôlée par la retombée du relais de commande.

Remarques :

  1. Relâché total : Verrouillage mécanique de la barre des contacts de puissance.
  2. Collage total : Libération de la barre et action sur le micro contact.
  3. Intermédiaire : Guillotine sur le diamètre fort de la barre et micro contact en position repos.

Consommation :

Le système consomme au repos de l'ordre de 20 mA. Il nécessite par contre un courant de pointe pouvant atteindre 2 A pour commuter, cette consommation ne durant que le temps du maintient du relais de commande.

Câblage des contacts :


Onévitera un câblage comme celui présenté dans le cliché supérieur car il répartit le courant dans les divers contacts de façon non homogène en surchargeant le premier et en distribuant les autres de façon dégressive.


On pourrait alimenter la barre de distribution au niveau du contact se trouvant au milieu de la chaîne, ce qui minimiserait les déséquilibres vers les contacts adjacents. Cela resterait toutefois non entièrement satisfaisant.

Le deuxième cliché assure des circuits avec une homogénéité correcte à partir du moment où les conducteurs utilisés sont de sections (1,5 mm²) et de longueurs identiques. Seule une connexion est représentée.

La sectionéquivalente est donc de 5 fois 1,5 = 7,5 mm² pour les circuits batteries et de 2 fois 1,5 = 3 mm² pour le panneau solaire.

L'ensemble des conducteurs est associé dans une borne de connexion type"sucre" qui reçoit le conducteur correspondant extérieur.
Cette deuxième solution est celle que je recommande.


Electronique de contrôle :


Le circuit imprimé supporte, en plus des relais de commande, toute l'électronique d'automatisation avec contrôle du niveau de charge des batteries, comparaison de la position des relais de puissance par rapport à celle nécessaire, contrôle de situation du véhicule (arr êt, présence secteur, roulage), alternat de commutation pour la charge des batteries en fonction des circonstances, et commande de sélection par l'utilisateur sur B1, B2 ou position automatique.

Cependant, je ne développerai pas ce domaine dans cet exposé qui, comme je l'ai dit en début, ne veut décrire que l'élément bistable de commutation de fort courant ( la partieélectronique aété ajoutée 04/2011 en dessous de l'article mécanique).


modification des contacts relais de puissance

Modification des contacts des relais de puissance :


Les relais que je possède ont des contacts inverseurs mettant en oeuvre deux contacts en série pour chaque inverseur (photo de gauche). Ce système permet d'avoir des palettes indépendantes des socles mais a le gros défaut de doubler la résistance de contact. Par ailleurs le réglage de la pression des contacts est des plus délicat.

J'ai donc modifié le système en supprimant un des contacts et en assurant la liaison du commun par une tresse.

Le principe consiste à couper le contact extérieur à milongueur, à supprimer le grain serti sur la partie fixe extérieure et à réunir les deuxéléments par une tresse souple(photo de droite).
Cette modification fait que les sorties d'origine des contacts repos et commun sont permutées. Celle du contact travail n'est pas modifiée.

Avantages :
Le circuit ne comporte plus qu'une seule résistance de contact. La pression exercée par les ressorts est entièrement appliquée sur un contact au lieu
de deux. La fiabilité des contacts et la facilité de réglage sont nettement améliorées.


vue de l'ensemble monté

Vu de l'ensemble monté :


Ces trois vues montrent le système complet. Il est bien sûréquipé de toute l'électronique d'automatisation (répartie
sur un ensemble de 3 circuits imprimés) non décrite dans cet exposé.

Sur la vue du bas on peut apercevoir la bobine verte de déverrouillage de la guillotine montée sur le circuit imprimé
principal, les allonges magnétiques et trois colonnettes qui serviront à fixer l'ensemble sur la plaque de fond du
boîtier.

Le relais de commande et ceux de mémorisation sont visibles en bordure et extrémité droite du circuit principal.

L'ensemble est compact mesurant 125 mm de long, 85 de large et 80 de haut

Voil à donc un COMMUTATEUR 50A BISTABLE DE BATTERIES, à VERROUILLAGE MECANIQUE, CONSOMMANT 20mA au repos. Il permet d'envisager une automatisation complète des fonctions de charge et l'utilisation de deux batteries de cellule non identiques. Ilévite les coupures du circuit d'utilisation au cours de la commutation et la surcharge de l'alternateur du véhicule.

Quelques vues du commutateur terminé :


Les clichés ci-après montrent le commutateur complet dans sa boîte. Elle est en aluminium de 2mm d'épaisseur, assemblée par rivets pop. Dimensions finales : 147 x 102 x 97 plus 18 mm de chaque côté pour les fixations.

La vue arrière permet de voir les sucres de connexion et le câblage avec les contacts des relais de puissance suivant la méthode retenue et expliquée dans le paragraphe "Câblage des contacts".

Un couvercle tenu par deux vis permet de fermer l'arrière ne laissant apparaître que les vis basses des sucres.

Les symboles de "Danger" correspondent à la possibilité de détecter la présence secteur directement à partir du 230 volts qui est dans ce cas connecté sur deux broches à l'arrière du boîtier. Mais cela fait partie de l'automatisation du système...

photos du produit fini

La partieélectronique (Additif de avril 2011)

Principes utilisés , rappel :

Synoptique fonctionnel :

synoptique fonctionnel

L'élément central est un comparateur de position. Son rôle est de comparer la position du commutateur de puissance à celle demandée par les circuits de commande. Si la position demandée correspond à celle du commutateur aucune action n'est entreprise. Dans le cas contraire une demande de basculement des relais est générée.

Elle est crée via un "ET" logique qui regroupe l'information du comparateur avec une horloge à 2 Hz. Ce principe permet, en cas de disfonctionnement, de créer une nouvelle impulsion de commande.

Le comparateur de position reçoit des demandes de trois origines différentes :

Sélecteur manuel de position :

Il permet de choisir de mettre en mode utilisation la batterie B1 ou B2 ou bien de laisser le système en mode Automatique.

Comparateur de tension B2 :

Il surveille la tension de B2 afin de commuter sur B1 lorsqu'elle atteint 11,5 volts puis de repasser sur B1 lorsqu'elle revient à un minimum de 12,8 volts après avoirété rechargée par le panneau solaire.

Séquenceur d'alternat :

Dans le cas ou l'on dispose d'une connexion au secteur 230 volts ou bien dans le cas ou le véhicule roule, le système passe sur un cycle de charge alterné sur chacune des batteries. Environ 17 minutes sur l'une puis 17 minutes sur l'autre. Au départ la séquence commence par un positionnement sur B2.

L'action du séquenceur est validée par l'information de "Présence secteur" ou le "+D" du véhicule alors que le comparateur de tension B2 n'agit que si aucun de ces deux signaux n'est présent.

Enfin un comparateur de "Sécurité" surveille la tension d'alimentation de l'électronique de commande. Il bloque le fonctionnement du commutateur dans le cas ou les deux batteries sont déchargées à un point tel qu'elles ne permettent plus d'assurer un fonctionnement correct.

Les deux comparateurs de tension sont des comparateurs à seuils de basculement. Ils sont pilotés à partir d'une tension de référence réglée à 7,14 volts issue d'une diode zener ce qui permet de stabiliser le fonctionnement du système par rapport aux variations de tension des batteries.

Explications du schéma : (On reconnaîtra sur la partie droite les éléments décrits dans le système de commutation)

shémaélectronique

Le comparateur de position Il est assuré par la porte "OU Exclusive" "U5c" laquelle reçoit d'un coté les demandes de position (broche 9) et de l'autre, l'information de la position actuelle du commutateur de puissance (broche 8). La porte "U5b" est montée en inverseur, le signal de position ayant été pris préférentiellement sur le contact travail du relais (broche 1).

La porte "U5a" a pour rôle d'introduire dans le circuit de demande de position le forçage manuel issu du commutateur. Les demandes de position sont regroupées sur l'entrée 2 de cette dernière par un "OU" constitué des diodes "D4", "D7" et "D18". Cette porte est inverseuse ou non suivant le signal appliqué sur son entrée 1, ce signalétant fonction de la position du commutateur de sélection. Elle est non inverseuse pour les positions "Auto" et "B1" et inverseuse pour la position "B2".

La sortie de "U5c" est regroupée dans une porte "NOR" "U3b" avec le signal d'horloge à 2 Hz (broche 5). La sortie de "U3b" commande le transistor "Q1" qui commande le relais déclenchant le processus de basculement du commutateur de puissance.

Comparateur de tension de B2 :
Il est réalisé par l'amplificateur opérationnel "U4a" (LM358).
Ce comparateur reçoit l'image de la tension de "B2" via le diviseur "R4", "R13" avec un filtrage de parasiteséventuels assuré par "C6". Les seuils de basculement sont définis à partir d'une tension de référence de 7,14 volts appliquée sur le diviseur "R3", "R18", lui-m ême modifié par la sortie du comparateur au travers deséléments "R19", "R20" et "D5". "D5" permet de limiter l'excursion haute de sortie du comparateur par rapport à la tension de référence afin de stabiliser le seuil haut par rapport aux variations de la tension d'alimentation du système.
La sortie du comparateur passe au travers de la porte "U3d" dont le rôle est de valider cette source de commande lorsque le véhicule est à l'arr êt et sans alimentation secteur. "U5d" qui suit assure l'inversion du signal pour attaquer correctement le "OU" à diodes via "D4".

Séquenceur d'alternat :
La base en est le compteur "U1" qui est un diviseur par 2048. Attaqué sur son entrée 10 par un signal d'horloge d'environ 2 Hz il délivre sur sa sortie Q11 (broche1) un signal cyclique de 17 / 17 minutes. Très exactement l'horloge devrait être à 2,008 Hz pour obtenir 17 minutes. Ce cycle est approximativement de la valeur décrite et ne nécessite pas de précision plus importante.
La séquence démarre toujours sur B2. Le séquenceur n'est actif que si sa broche de reset (broche11) est au niveau "0" ce qui veut dire que les entrées "+D" ou "Présence secteur" soient au niveau "1" ("U3a" inverse le signal).

Horloge 2 Hz :
Constituée de la porte "U3c" et deséléments "R12", "C5".

Comparateur de sécurité :
Il est réalisé par l'amplificateur opérationnel "U7a" (LM358).
Son fonctionnement est identique à celui du comparateur de tension de B2. Il contrôle la tension d'alimentation via le diviseur "R26", "R27" avec filtrage par "C10". La tension de référence est issue du m ême 7,14 volts via "R25" et "R28" et les seuils sont définis par leséléments "R29", "R30" et "D28". La porte "U6d" permet d'obtenir un signal de niveau correct pour commander "Q3" et "U6c" assure le blocage de l'horloge via "D29". L'horlogeétant bloquée en niveau bas de sortie elle emp êche toute action sur le relais de commande en forçant au niveau 1 la sortie de la porte "U3b".

Référence de tension :
A partir d'une diode zener de 6,2 volts ("D26") l'amplificateur opérationnel "U4b" génère une tension de référence de 7,14 volts utilisée pour les comparateurs de niveaux de tension. Cette référence est nécessaire pouréviter que les seuils de basculement varient avec la tension d'alimentation fournie par les batteries.

Eléments complémentaires :

Présence secteur :
Elle peut être obtenue via le transformateur secteur et le système redresseur avec le filtrage associé. Les éléments sont "T1", "D9 à D12", "C8", "R6" et "C9". La tension obtenue est appliquée via "D14" sur les entrées 1 et 2 de "U3a". La diode "D13" limite la tension de commande par rapport à l'alimentation du système commutateur.

Remarque : L'information de présence secteur peut aussi être obtenue à partir du bloc "EBL 269" du véhicule par la broche 6 du bloc 5. Dans ce cas leséléments décrits ci avant ne sont plus nécessaires, hors mis la diode "D13" que l'on conservera par sécurité en protection des entrées de "U3a".

Signalisations :

Quatre diodes leds assurent les signalisations suivantes :

Constante de temps :
La capacité "C10" de valeur relativementélevée (470 µF) est nécessitée pouréviter un basculement du comparateur associé, lors des sollicitations de basculement des relais. La consommation du système, de l'ordre de 20 mA au repos, passe à 1,5 à 2 A lors des commutations. Une telle variation de courant se traduit par une chute provisoire de tension d'alimentation qui déclenche le comparateur inhibant ainsi le cycle de commande. Le système se met alors à "battre" suivant la fréquence d'horloge pour tenter de commuter et "C10" a pour rôle d'emp êcher cette manifestation parasite. Les diodes "D30" et "D31" semblent faire double emploi avec le pont "D25" mais elles sont là pour minimiser le phénomène en ne rajoutant pas la variation du seuil des diodes du pont lors de l'appel de courant de commutation. Sans quoi "R27" aurait pu être connectée directement en 3 de "D25".

Ensemble des Circuits imprimés :

circuit imprimé

Trois circuits se partagent le support de l'ensemble de l'électronique.

circuit imprimé côté composant

ensemble monté

Celui de gauche regroupe les composants situés dans l'enceinte pointillée du schéma de principe.
Celui du centre regroupe la signalisation et la commutation manuelle.
Celui de droite comporte le reste de l'électronique. On y retrouve les trois relais dont il avaitété question dans le descriptif de réalisation du commutateur bistable de 50 Ampères.
L'ensemble est monté comme le montre le cliché ci-dessus.

bloc de commutation

Connexions arrières du bloc de commutation : On peut distinguer les connexions de puissance "+" et"-" pour "Batterie1", pour "Batterie2", pour "Panneau solaire" et pour "Utilisation". Des conducteurs de section minimum de 6 mm² sont à prévoir, 10 mm²étant préférable.
Tout à droite se trouvent les commandes "+D", "Présence secteur" (si prise sur le bloc "EBL 269") ou entrée 230 volts (pour détection directe de la présence secteur).

Quelques vues de l'installation dans le véhicule :

Deuxième batterie cellule

installation dans le véhicule

Ci dessus , l'installation de la deuxième batterie, dans le coffre à coté de l'entrée.
Elle est bloquée au sol par des cornières boulonnées au travers du plancher de la cellule et maintenue par une sangle.
Ne pas oublier qu'une telle batterie pèse de l'ordre de 30 kg et, qu'en cas de coup de frein brusque, elle représente uneénergie conséquente (E = ½ M V²) pouvant sans difficulté enfoncer les cloisons du coffre. D'où la nécessité impérative d'une fixation sérieuse.

commutateur en place dans le véhicule

Commutateur 50 Ampères

Ce cliché montre le commutateur de batterie installé à proximité du bloc "EBL 269".

L'ensemble se trouve dans la soute, sous le lit, où le bloc "EBL 269" est installé d'origine.

Il estévident que le positionnement du commutateur à cet endroit est le plus souhaitable vu les liaisons de puissance à effectuer avec le bloc d'origine, le commutateur s'intercalant entre les batteries et ce dernier.


caractéristiques générales
contact : pdf mécannique en téléchargement
pdfélectronique en téléchargement

nota : La consommation citée de 20 mA concerne le système complet avecélectronique d'automatisation . Le commutateur tel que présenté consomme de l'ordre de 5 mA consommé par les diodes LED de signalisation notée B1 et B2. Sans signalisation la consommation est nulle au repos.

emoticon

Possibilité de charge batterie moteur par panneaux solaires cellule

Modification pour CC Laïka Ecovip2 modèle 2010 par jacques 03/2011

Voici une modification qui permettra d' être parfaitement autonome en chargeant de temps en temps la batterie moteur avec les panneaux solaires de la cellule.
M ême si le bouton "charge solaire" est resté en fonctionnement, lors que vous serrez branché sur le secteur le système délivrera un +12V de commande et la batterie moteur se chargera par le chargeur du CC donc aucun danger.
Il suffit de penser à couper le bouton "charge solaire" après une durée d'environ 5 heures, cela aura pour effet de redonner un peu de vigueur à la batterie moteur et de démarrer sans soucis le CC surtout quand la température est négative....

Les figures suivantes représente le schéma du montage et le circuit imprimé, mais à vous de voir comment le faire.

shéma de principe du montage

shéma circuit imprimé

Voici le schéma de principe.
Le circuit logique est un quadruple NAND (non-et) du type CD4011.
Le but est de simuler une commande "Line" venant du chargeur secteur de batterie, afin que la Centrale permette la charge de la batterie moteur comme si c'était le chargeur secteur qui fonctionnait.
Mais dans cette situation (entrée E2), j'envoie un +12V via un petit interrupteur sur l'entrée E2. La led jaune s'allume et en S1 (sortie vers Centrale) j'ai un signal de 12V sur la Centrale au niveau "line" ce qui a pour effet de commuter le relais interne de la Centrale afin de mettre la batterie moteur en charge dans le circuit.

Gagné notre batterie moteur va reprendre un peu d'énergie.

Pour ce qui est du montage, j'ai utilisé un morceau de circuit imprimé et j'ai installé le tout sous le siège passager à côté du Chargeur secteur de batteries. Mais attention ce montage est spécifique aux Laïka Ecovip2.

le modèle de chargeur est : marque : NORDELETTROCINA Type : NE 186 300W .

Je ne connais pas les autres Centrales de CC, donc à vous de voir si la centrale de votre CC est semblable à celle de l'Ecovip2 et qu'elle possède cette fameuse commande de charge batterie moteur.
installation du montage 1
La Centrale derrière le siège passager
installation du montage 2
installation du montage 3
Le chargeur de batterie et la commande de charge solaire de la batterie moteur
installation du montage 4

Bonne Bidouille et bon courage. ALBATROS28

emoticon

emoticon

Entretien des batteries ( à faire tous les ans )

Batterie solarwatt d'alden de 100 A qui n'avait pasé été nettoyé depuis 2 ans , cette batterie est fixé dans son logement en métal zingué sous le plancher du camping car.

emoticon

Retirer la batterie de son logement , après avoir fait un dépoussiérage de l' extèrieur , nettoyez les cosses avec du papier de verre fin et graisser légerement celles-ci , dévissez les 6 bouchons et vérifiez le niveau d'acide et faire le complément d'eau distillé si nécessaire .

Cette batterie solarwatt à 5 ans et est en parfaitétat de fonctionnement ,il existe quand m ême un léger sulfatage sur les plaques de plomb , mais qui ne nécessite pas une rénovation .

Mon camping car est toute l'année dehors donc en recharge permanente avec les panneaux solaires l'entretien des batteries se résume donc au nettoyage de l'ensemble .


ENTRETIEN BATTERIE CELLULE de Michel95

Toujours sur mon vieux challenger, la batterie cellule (avec entretien) se trouve sous le siège conducteur et par conséquent, difficile d'accès. Afin de vérifier le niveau d'eau dans la batterie, il me fallait retirer les deux plaques de bouchons et à force, celles-ci se sont cassées. J'ai donc mis six bouchons verseurs droits munis d'un petit bouchon à l'extrémité.
Pour faire les vérifications, il suffit de ne retirer que ces petits bouchons, d'y introduire le tube transparent pour contrôler le niveau.
Sur la bouteille d'eau déminéralisée, j'ai adapté un autre bec verseur, cette fois-ci un peu courbé et fixé un tube flexible transparent (tube que l'on trouve au rayon aquarium).
Pour ajuster le niveau d'eau, il suffit alors d'introduire le tube de la bouteille et le tour est joué, puis de revérifier le niveau.
Mais les photos parlent mieux que moi !

 

entretien batterie par michel95 1 entretien batterie par michel95 2

emoticon

MOBITRONIC Battery Refresher
Prolonge la durée de vie des batteries à l'acide et plomb. Il suffit de le brancher sur les pôles plus et moins de la batterie.

Ce rénovateur de batterie est en vente chez narbonne accessoires sous la réf : 716021

waeco mobitronic

Pour les camping car qui hivernent dans un garage , il vous faut débrancher vos 2 ou 3 batteries , moteur et cellule etéffectuer une recharge tous les mois ( recharge classique au 1/10 de la capacité de la batterie avec le contrôle d'un voltmètre ) , de façon à ce quelles soient toujours bien chargées ( précaution utile en cas de gel ), il existe aussi des chargeurs que vous pouvez laisser branchés en permanence (floating ) qui rechargent continuellement avec une intensité très faible ( quelques modèles ci-dessous ) .

emoticon

Chargeur floating quick SBC 140 12V 12A 2S disponible chez pro ship

emoticon

Chargeur de batterie solaire Hi-Tec 500W-1000W, 12V / 40A site surtec

emoticon

Chargeur floating scheiber
Réf: 480610 chez narbonne


la batterie est de 02/2005 , bien entretenue solarwatt alden de 100A , la décharge complète à 11,2V s'estéffectué en 13H soit 13x5A= 65A

emoticonUne alternative interessante .

CHARGEUR AUTO ACCU PB 12V/6A

Quand la tension finale est atteinte le chargeur s'arr ête automatiquement
Elle reprends quand la tension descend sous 13,8V ( le m ême système que le panneau solaire ) , votre batterie peut restée branchée en permanence durant l'hivernage .

emoticon

Chargeur Ctek ,un des meilleurs actuellement voir descriptif >

En promo actuellemnet 47.95 € réf :250 180 site conrad
un chargeur floating de qualité 95 € ( photo de droite ) chez top accessoires

Et pour ceux qui veulent bricoler leur petit chargeur , il en existe un qui ne comprends que peu d'éléments doncéconomique sur ce site

Rappel : la charge normale d'une batterie est de 1/10 ° .

En floating la charge préconisée est de 1/50 ° de la capacité de la batterie, c'est à dire pour 100A 2A de charge continu , si vous rechargez au 1/100 ° c'est à dire 1A cette charge maintiendra votre batterie enétat , si elleétait bien chargée au départ .

voir aussi les pages :

spécifications sulfabatt


sulfabatt

Régénération des batteries : (12/2008) tests 06/2009

Sulfbatt est un revitalisant des batteries :

- Elle permet de réduire sérieusement la fréquence de renouvellement des batteries,
- Aide fortement au maintien opérationnel de l'équipement,
- limite la pollution liée à la mise au rebut d'une batterie au plomb toxique pour la nature.

Gagner sur le coût d'exploitation :

Sulfabatt redonne vie à des batteries "Hors-Services", une batterie non utilisée durant plusieurs mois, comme sur les campingcars . www.regenebatt.com




traitement des batteries par impulsions

caractéristiques de sulfabatt
montage du sulfabatt

montage du sulfabatt sur vieille batterie alden 100A ( 14/02/2005 ) qui a subit une décharge profonde


recharge batterie avec sulfabatt
recharge avec chargeur cteck 7000 pendant 3 jours avec sulfabatt branché
décharge batterie avec charge de 5A
après un repos de 2 jours , décharge batterie sous 5A , tension de départ 12,27V arr êt 10,8V tests 06/2009

Résultats des tests 06/2009 :

la batterie au départ ne voulait plus se recharger ( avec Cteck 7000 ) quelque soit le mode de charge .

un test avaitété fait sur cette batterie alden 100A acheté 14/02/2005 encore enétat le (02/05/2007) 12hx5A = 65A


sulfabatt en place dans le véhicule

sulfabatt en place sur la batterie moteur du campingcar

Commentaires :

Message de jean : je viens d' acheter une batterie 115 amperes à décharge lente 114 euros transport compris trouvé sur ebay en promo d'hiver j ai telephoné.. envoyez un cheque le lendemain il me telephonait pour me confirmer la reception et que je recevrais la commande vendredi ce matin reception tout ok tres belle marchandise tout cela dans la semaine voil à les coordonnees...BATTERIE MEGASTORE SARL..MUOEN 350 RUE L.ODON 14790 TEL 02.31.75.07.97 ...5/02/2010

Message de gérard : Bonjour, à propos d l'entretien de la batterie cellule, je voudrais signaler que 1 ° cette batterie est très difficilement accéssible en général, et 2 ° chez Green Power par exemple, ils indiquent "batterie sans entretien"...Mon oeil! Ma batterie qui a 2 ans vient de flancher, je vérifie, elle est complètement sèche ! Bonjour la garantie. 02/2011

Message de victor : Comme batterie auxliaire , j'utilise deséléments cadium nickel réformés de l'aéronautique . Performances et longévité incomparablement plusélevées que les meilleures décharges lentes, entretien très minime.. 22/07/2013

Message de paul : bonjour,dans le temps je régénérais mes batteries,(1)je vide la batterie je la rince 2/3 fois,(2)je prépare une solution eau + calgon (3)je remplis la batterie et laisse faire le mélange eau/calgon de 10 a 30 minutes ou voir plus ensuite (4)vider et rincer la batterie 2/3 fois (5)je remplis d'électrolyte (6)je charge la batterie a 2 ampéres et le tour est joué,cout trés modeste. 14/09/2013

si vous avez un commentaire à formuler , , je le rajouterais sur la page

emoticon
emoticon

campingcar sympa , bricolage , loisirs créé le 31/01/2002 par rémy , revisité 2/11/19 , pour flash voir le plug-in
ici , hébergé par celeonet statistiques awstats règles de confidentialité